Many access control systems, security systems, and intelligent transportation systems use RS485/232 interfaces. Since most of these systems are located outdoors, they are very vulnerable to external disturbances, especially lightning strikes. Therefore, in order not to affect the normal operation of the system, we often add GDTs and TSS in the design of these system circuits to achieve the purpose of surge protection.Background:
1. The RS485/232 wiring is very long, which is prone to overvoltage.
2. RS485/232 wiring is placed outdoors, which is easy to be struck by lightning
3. RS485/232 wiring is susceptible to interference from other lines
Socay Solution and Components:

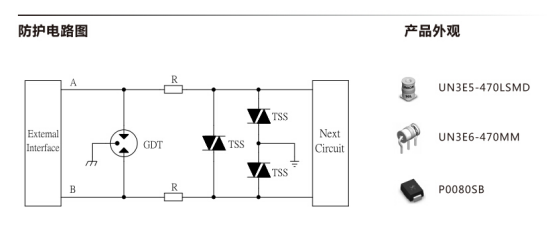
Gas Discharge Tubes(GDTs)
GDT【SC3E5-470LSMD】DC Spark-over Voltage:470V±20%,Nominal Impulse Discharge Current(8/20μS):5kA,Maximum Capacitance<1.5pF,Minimum Insulation Resistance 1GΩ(at 100v); Medium level protection
GDT【SC3E6-470MM】DC Spark-over Voltage:470V±20%,Nominal Impulse Discharge Current(8/20μS):10kA,Maximum Capacitance<1.5pF,Minimum Insulation Resistance 1GΩ(at 100v); Advanced Protection Thyristor Surge Suppressors(TSS)
TSS【P0080SB】Vdrm:6V;Vs:25V;Vt:4V;Idrm:5μA,Is:800mA,It:2.2A;Ih:50mA,Co:20-150pF,@10/700μS, 4KV
Application:
1. Monitoring / security system
2. Access control system
3. Railway signal control lamp
4. Intelligent transportation system
5. Electricity meter / water meter / instrument
6. Optical transceiver
Solution Notes:
1. The front end uses GDT to discharge the large current
2. The back end use TSS with fast response time, low residual voltage, and effectively protects the RS485/232 chip
3. The resistor is used for decoupling in the middle, which makes the front GDT easier to operate and releases the current.
4. The solution complies with IEC61000-4-2, GBT17626.2 and other electrostatic standards, IEC61000-4-5, GBT17626.5 and other surge test standards
5. It can pass 10/700μs (equivalent internal resistance 40ohm), 1.2/50-8/20μs test, the specific protection level should refer to the flow rate of GDT and TSS.